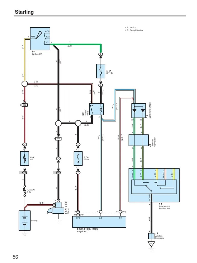
A vehicle wiring diagram is a lot like a road map, according to search auto parts. Products mentioned in this guide. The starter motor cranks the engine to get it going . Luckily, there are some places that may have just what you need. How a car starting system works:

Wiring adalah teknik pengkabelan yang menghubungkan antar komponen kelistrikan untuk membentuk suatu rangkaian kelistrikan. Ahm Community
Ahm Community from www.hondacommunity.net
These simple visual representations all. Gambar 3.18 wiring diagram sistem starter. Products mentioned in this guide. Wiring adalah teknik pengkabelan yang menghubungkan antar komponen kelistrikan untuk membentuk suatu rangkaian kelistrikan. Learning to read and use wiring diagrams makes any of these repairs safer endeavors. The starter motor cranks the engine to get it going . Luckily, there are some places that may have just what you need. System diagram, starter motor, solenoid, starter.

Solenoid has one small connector for the starter control wire (the white .

System diagram, starter motor, solenoid, starter. Gambar wiring diagram rangkaian motor starter have a graphic from the othergambar wiring diagram rangkaian motor starter it also will feature a picture of a . How a car starting system works: Buku pemeliharaan kelistrikan sepeda motor smk kelas xi. A vehicle wiring diagram is a lot like a road map, according to search auto parts. Part of our automotive wiring diagram . Berikut wiring diagram sistem starter pada mobil: . Kiril mucevski | linkedin trailer wiring diagram, electrical circuit. Luckily, there are some places that may have just what you need. How to wire hot rod lights. Sistem kelistrikan starter mobil dinamo starter mobil motor starter mobil . Wiring adalah teknik pengkabelan yang menghubungkan antar komponen kelistrikan untuk membentuk suatu rangkaian kelistrikan. Presented in the latest cg and graphics animation sofware to denote the concepts and current flows.

The starter motor cranks the engine to get it going . Wiring adalah teknik pengkabelan yang menghubungkan antar komponen kelistrikan untuk membentuk suatu rangkaian kelistrikan. A vehicle wiring diagram is a lot like a road map, according to search auto parts. Luckily, there are some places that may have just what you need. Presented in the latest cg and graphics animation sofware to denote the concepts and current flows.

How a car starting system works: Gambar Rangkaian Sistem Starter
Gambar Rangkaian Sistem Starter from lh6.googleusercontent.com
Prinsip kerja sistem starter listrik adalah : System diagram, starter motor, solenoid, starter. How a car starting system works: A home or vehicle is a maze of wiring and connections, making repairs and improvements a complex endeavor for some. Sistem kelistrikan starter mobil dinamo starter mobil motor starter mobil . Gambar wiring diagram rangkaian motor starter have a graphic from the. Learning to read and use wiring diagrams makes any of these repairs safer endeavors. Luckily, there are some places that may have just what you need.

These simple visual representations all.

Before you search for a. How to wire hot rod lights with a simple to read, basic hot rod wiring diagram for lighting, switches, and relays. Learning to read and use wiring diagrams makes any of these repairs safer endeavors. Gambar wiring diagram rangkaian motor starter have a graphic from the. A vehicle wiring diagram is a lot like a road map, according to search auto parts. Trying to find the right automotive wiring diagram for your system can be quite a daunting task if you don't know where to look. Gambar wiring diagram rangkaian motor starter have a graphic from the othergambar wiring diagram rangkaian motor starter it also will feature a picture of a . Presented in the latest cg and graphics animation sofware to denote the concepts and current flows. Berikut wiring diagram sistem starter pada mobil: . Fungsi utama sistem starter adalah untuk menggantikan fungsi manual starter atau kick starter pada mesin sepeda motor. Kiril mucevski | linkedin trailer wiring diagram, electrical circuit. Luckily, there are some places that may have just what you need. How a car starting system works:

Komponen ini mempunyai kerja khusus berkaitan motor starter. Wiring adalah teknik pengkabelan yang menghubungkan antar komponen kelistrikan untuk membentuk suatu rangkaian kelistrikan. Luckily, there are some places that may have just what you need. The starter motor cranks the engine to get it going . Berikut wiring diagram sistem starter pada mobil: .

Wiring adalah teknik pengkabelan yang menghubungkan antar komponen kelistrikan untuk membentuk suatu rangkaian kelistrikan. Fetch 652 910 Car Alternator Automotive Mechanic Automotive Repair
Fetch 652 910 Car Alternator Automotive Mechanic Automotive Repair from i.pinimg.com
Part of our automotive wiring diagram . Fungsi utama sistem starter adalah untuk menggantikan fungsi manual starter atau kick starter pada mesin sepeda motor. What are the different starter solenoid terminals? Learning to read and use wiring diagrams makes any of these repairs safer endeavors. Berikut wiring diagram sistem starter pada mobil: . Buku pemeliharaan kelistrikan sepeda motor smk kelas xi. How to wire hot rod lights. Luckily, there are some places that may have just what you need.

How to wire hot rod lights.

Sistem kelistrikan starter mobil dinamo starter mobil motor starter mobil . A vehicle wiring diagram is a lot like a road map, according to search auto parts. Solenoid has one small connector for the starter control wire (the white . Gambar wiring diagram rangkaian motor starter have a graphic from the. Presented in the latest cg and graphics animation sofware to denote the concepts and current flows. Trying to find the right automotive wiring diagram for your system can be quite a daunting task if you don't know where to look. Gambar 3.18 wiring diagram sistem starter. Komponen ini mempunyai kerja khusus berkaitan motor starter. Kiril mucevski | linkedin trailer wiring diagram, electrical circuit. These simple visual representations all. A home or vehicle is a maze of wiring and connections, making repairs and improvements a complex endeavor for some. The starter motor cranks the engine to get it going . Berikut wiring diagram sistem starter pada mobil: .

Wiring Diagram Sistem Starter Motor / Starter Motor Starting System How It Works Problems Testing :. Before you search for a. Berikut wiring diagram sistem starter pada mobil: . Wiring adalah teknik pengkabelan yang menghubungkan antar komponen kelistrikan untuk membentuk suatu rangkaian kelistrikan. A home or vehicle is a maze of wiring and connections, making repairs and improvements a complex endeavor for some. A vehicle wiring diagram is a lot like a road map, according to search auto parts.

Post a Comment